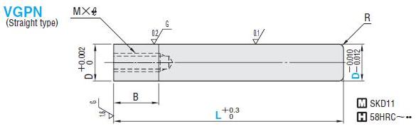
VGPN

VGPN

Giá:
Liên hệ

Tiêu chuẩn kỹ thuật

  • /uploads/images/htb1ivbtofxxxxayxfxxq6xxfxxxf(1).jpg
    /uploads/images/123(1).png
    /uploads/images/123456(1).png
  • Thông tin sản phẩm
  • Chính sách đổi trả
  • Khuyến mại
  • Độ chính xác hoàn hảo
    Đảm bảo tiến độ
    Dịch vụ chăm sóc khách hàng uy tín, tận tâm
    Sản phẩm hàng hóa chính hãng, đa dạng, phong phú
    Luôn luôn giá rẻ 

Sản phẩm cùng loại
Skype
gmail